HTS540
540
KN.m
Rated Lifting Moment
20000
Kg
Rated Lifting Capacity
5
Boom Section
22.6
m
Max. Working Radius
25.02
m
Max. Lifting Height
ADVANTAGES INTRODUCTION
Dual Swing Drive System: Equipped with two independent swing drive devices. Enables free switching between single/double work modes via electric-hydraulic control, achieving low-speed operation under heavy loads and high-speed operation under light loads.
Dual Cylinder Action Free-Switching System: Freely select and control the immediate action of either cylinder, achieving the optimal boom working status and the boom's best load-bearing strength.
U-Shaped Boom Design: Reduces boom self-weight, enhances boom stiffness, provides excellent bending resistance, and improves telescoping guidance performance.
Intelligent Alert System: Automatically triggers an alarming and simultaneously cuts off dangerous action when overload conditions occur in the working status.
ADVANTAGES INTRODUCTION
Dual Swing Drive System: Equipped with two independent swing drive devices. Enables free switching between single/double work modes via electric-hydraulic control, achieving low-speed operation under heavy loads and high-speed operation under light loads.
Dual Cylinder Action Free-Switching System: Freely select and control the immediate action of either cylinder, achieving the optimal boom working status and the boom's best load-bearing strength.
U-Shaped Boom Design: Reduces boom self-weight, enhances boom stiffness, provides excellent bending resistance, and improves telescoping guidance performance.
Intelligent Alert System: Automatically triggers an alarming and simultaneously cuts off dangerous action when overload conditions occur in the working status.
- Product Description
- Brochure
-
- Commodity name: HTS540
- Rated Lifting Moment:: 540
- Rated Lifting Capacity:: 20000
- Boom Section:: 5
- Max. Working Radius:: 22.6
- Max. Lifting Height:: 25.02
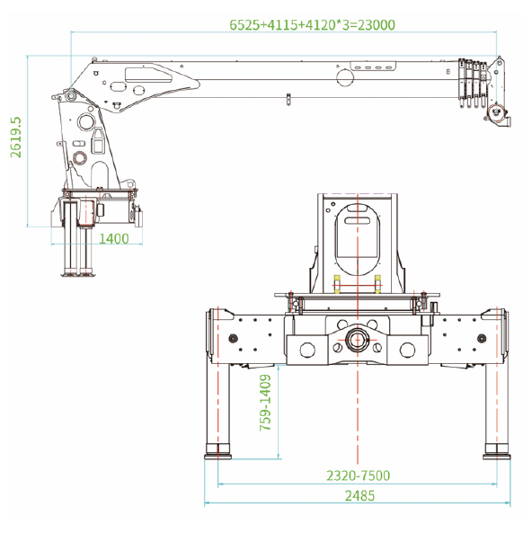
Rated Lifting Moment 540 KN.m Rated Lifting Capacity 20 T Boom Length 6.525-23.0 m Main Outrigger Span 7.5 m Boom Section 5 Slewing Angle 360° Max. Boom Elevating Angle 75° System Rated Pressure 28 Mpa System Rated Flow 120 L/min Crane Weight 7160 Kg Max.Lifting Height 25.02 m Max. Working Radius 22.6 m Hydraulic Oil Tank Capacity 240 L LIFTING CHART

CRANE DIAMENSION

CLICK HERE FOR PRICE



